Ваша корзина:

0

0,00 руб.

Каталог продукции
0

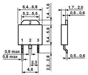
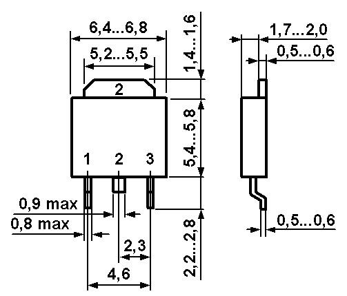
Транзистор IRFZ44ES, D2PAK/TO263

Код товара:
6762823
В наличии:
1 шт.
Этаж продажи товара:
2 этаж

Стоимость:

90,00 руб.

Количество

- +

Итого:

90,00 руб.

Вы так же можете заказать товар:

по телефону:

+7 (34145) 4-74-74

по электронной почте:

info@radiomarket.pro

Возможно вас заинтересует: